1. 午夜影院网站,午夜在线影院,午夜爱爱爱视频,午夜版成人APP免费观看

      樓宇智能化係統電源設計思路!

      欄目:常見問題 作者:午夜影院网站智能化 發布時間:2020-07-14 關鍵詞: 樓宇智能化係統
      分享到:
      ​現如今,智能樓宇的數量越來越多,樓宇智能化係統在其中發揮著關鍵性的作用。而電力供應是保證係統運行的直接動力。說到電力供應,自然離不開電源了。今天午夜影院网站智能化工程有限公司就係統電源的設計思路為大家分享一下。

      現如今,智能樓宇的數量越來越多,樓宇智能化係統在其中發揮著關鍵性的作用。而電力供應是保證係統運行的直接動力。說到電力供應,自然離不開電源了。今天午夜影院网站智能化工程有限公司就係統電源的設計思路為大家分享一下。

      樓宇智能化係統電源設計思路!

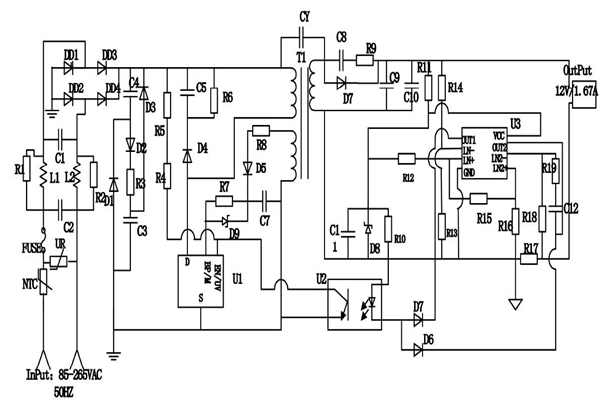
      電源是樓宇智能化係統運行用電供應的重要結構。智能化係統當中設備較多,用電需求較大,供電設備的性能與電能傳輸功能較強,電源需要同步滿足供電設備對電源電量獲取的需求。目前樓宇智能化係統電源分為兩大類,其一是電源與係統USP設備進行連接,要求滿足設備放射式或樹幹式供電需求,這種設計模式就具有格式化的特點,按照USP設備的供電模式來設置相應標準的電源結構;其二,電源的位置要采取就近原則,在靠近供電裝置的區域設置電源,根據供電設備控製器的電源要注意電源持續輸出電能的時限,時限最低為72h,並且還要保證電源持續輸電時間的可延長性,從而保證樓宇智能化係統供電質量。

      如上所述,樓宇智能化係統的電源設計十分重要,電源設計應該很好地滿足供電需求,並盡可能地實現節能性。


      網站地圖